JESEI
teacher’s notes student’s notes
Activity 1 Apparatus Each student (or group) will need Shallow transparent dish (a plastic Petri dish is ideal) 100 cm 3 beaker Bunsen burner, tripod, gauze and heatproof mat Cloth for handling the hot beaker Chemicals Each student (or group) will need 1 raw egg white Salt (sodium chloride) The teacher will need Samples of different types of metamorphic rock, for example marble or quartzite. Suitable lumps can be obtained from a geological supplier. Click here for details of some suppliers http://www.earthscienceeducation.com/suppliers. Safety notes Care is needed when lifting the beaker of boiling water from the tripod. It is the responsibility of the teacher to carry out an appropriate risk assessment. The activity Place the white of an egg in a Petri dish. Place about 50 cm 3 of water in a beaker and add two or three spatulas-full of salt to the water (to increase the boiling point) and bring the water to the boil. When the water is boiling, carefully take the beaker off the tripod and place it in the centre of the egg white on the Petri dish as shown in Figure 1. Leave for 10 minutes and observe again. You should be able to see that a thin layer of egg white in contact with the beaker has ‘cooked’ and changed texture, ie it has become white and rubbery. Extension activity Students can simulate the deformation of fossils themselves if they have the Word™ document of the student’s material running on a computer. They just click on Figure 2A to select it and a series of small circles will appear around the image of the fossil. They can then ‘squeeze’ the fossil by clicking on one of the circles in the middle of the left, right top or bottom sides of the diagram and dragging it to resize the image. Answers to questions Q 1. The dictionary definition of metamorphism is a change of form. Q 2. No you can’t ‘uncook’ an egg. Q 3. No by analogy with the answer to 2. Q 4. The fossils would have been even more distorted, perhaps to the point of being completely destroyed. (Further distortion might have been caused by recrystallisation of the rock but students would be unlikely to come up with this unless it had been discussed in class.) Q 5. a) (i) The forces acted downwards from the top of the paper and upwards from the bottom (ii)The trilobite has been distorted by about 15-20%. b ) (i) The forces acted leftwards from the right of the paper and rightwards from the left ( i i ) The trilobite has been distorted by about15-20%. c ) (i) This suggests that the rocks that contain the fossils have been distorted in about the same ratio. The same might well apply to the whole region. ( i i ) This could have happened when the rock was at the site of a destructive plate margin. ( d ) A drawing of a suitably distorted fossil such as that in Figure 4.
        
Metamorphic modelling - simulating metamorphic processes: teacher’s notes
Level These activities are designed for students aged 11-14 to demonstrate aspects of metamorphism. Topic The aim of this unit is to simulate some of the ways in which metamorphic rocks are formed, and to explain how both increased pressure and heat affect the formation of the different types of metamorphic rock. Description Activity 1 (a class experiment or demonstration) simulates the idea of contact metamorphism by investigating the effect of heat from a beaker of hot water (simulating an igneous intrusion) on egg white (simulating country rock). Activity 2 (a class experiment) simulates the formation of slate. Activity 3 (a class experiment) simulates the distortion of fossils under pressure using plaster of Paris models. Context Ideally, this unit should be taught after similar units on sedimentary and igneous rocks. Teaching points As with all simulations, it is important to be aware of the ways in which the simulation matches the real thing and the ways in which it does not. For example the temperatures in the simulation are much lower than in real situations. Teachers should use their discretion in deciding which of the points below to discuss with students. Metamorphism involves solid state recrystallisation – if melting occurs, the resultant rock is igneous, not metamorphic. Metamorphism involving high pressures only happens during mountain- building episodes – pressures due to simple burial are not normally great enough to cause metamorphism. It is not possible to reproduce in a school laboratory the processes by which rocks are metamorphosed on a regional scale. These activities only simulate the physical changes which take place when rocks are put under increasing lateral pressure, as would be found during mountain building episodes. Timing All three activities can be completed within a 50 minute teaching period, allowing time for discussion and writing up.
  
Figure 1 Arrangement of apparatus for Activity 1 The beaker of water represents an igneous intrusion, the cooked egg white represents the metamorphic aureole and the unchanged egg white models unchanged country rock. The igneous intrusion is, of course, always hotter than the country rock. This simulation can then lead into a discussion about how contact with extreme heat can alter the texture of existing rocks. At this point some examples of contact metamorphic rocks, such as marble or quartzite, are useful to show to students. Activity 2 Apparatus Each student (or group) will need A box of used matchsticks, or some short lengths of spaghetti Two rulers (approximately 30 cm) Chemicals The teacher will need A piece of slate, preferably with colour bands from the original bedding (or a photograph). Suitable samples can be obtained from a geological supplier. The activity Pour some used matchsticks, or short pieces of spaghetti onto the bench, so that they lie in all directions. These represent the microscopic, flaky clay minerals in mudstone or shale. Take two rulers and place one on either side of the matchsticks and push them together, trapping the matchsticks and forcing them to line up parallel to the moving rulers. This simulates the formation of slate, where the tiny, flaky clay minerals in a mudstone or shale are realigned at right angles to the lateral forces. Such forces could be found near destructive plate margins, in between two approaching continents.
 
In practice, the temperature also rises at the same time. This makes the clay minerals recrystallise to form new minerals although there is no analogy to this in the simulation. The slate will split along the planes made by the new minerals more easily than along the original bedding. This property is called rock cleavage, see Figure 2. You can use the matchsticks / spaghetti to show how such rocks can split along the cleavage by using a ruler to separate the aligned ‘minerals’. Simply slide a ruler between the aligned pieces of spaghetti and move them apart.
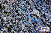
Figure 2 A piece of slate, cut thinly, under the microscope showing the cleavage running from top left to bottom right formed by the aligned minerals. The forces causing this acted from top right and bottom left Try to match the way the pieces are lying with a piece of roofing slate. Sometimes, such slate shows different coloured bands lying at an angle to the cleavage, see Figure 3. This is the remains of the bedding layers of the original mudstone or shale.
Figure 3 This sample of slate shows coloured layers at about 50 o to the cleavage. The coloured layers show the bedding of the original shale. Under conditions of ever-increasing temperatures and pressures, such slates can be metamorphosed into higher grade metamorphic rock such as schists and ultimately gneisses.
Activity 3 Apparatus Each student (or group) will need Modelling clay Disposable plastic cup (eg vending machine coffee cup) Stirring rod A sea shell (eg cockle) Chemicals Each student (or group) will need A little plaster of Paris (calcium sulfate-½-water) Safety
    
Wear eye protection It is the responsibility of the teacher to carry out an appropriate risk assessment. The activity Many metamorphic rocks, such as slate, are formed deep below ground, under great pressure. They sometimes contain fossils which have been badly squashed. The result of the squashing gives clues about the directions of the pressures which squeezed the rocks. 1 . Soften the modelling clay. 2 . Make a mould by pressing the outside of a shell carefully into the clay. Make a rim around the mould to contain the plaster. 3 . Carefully remove the shell, to leave the imprint in the clay. 4 . Squeeze the mould so as to change the shape of the shell imprint, by first choosing whether to squeeze it from top to bottom or from side to side. Alternatively, you could push one side up and the opposite side down. This sort of twisting is called shearing. Whichever you choose, do not distort the shape too much. Note down how you squeezed the mould, it will be important later. 5 . Mix up some plaster of Paris in a disposable plastic cup. Place less than 1 cm of water in the cup and stir in enough plaster to make a runny cream. 6 . Pour the plaster into the distorted mould and leave it for a few minutes to set. 7 . Leave any remaining plaster to set in the cup. Wash the stirring rod. 8 . When your plaster fossils have set, take your fossil cast out of the modelling clay and then carefully scratch your initials on the base. 9 . Pass your fossil on to a nearby group. See if they can work out the directions of the pressures which you used to distort the fossil. 1 0 . Do the same for theirs. Did you get it right? 1 1 . How could the same distortion have been produced by forces acting in different directions?

Figure 4 A trilobite fossil distorted by shearing forces (or alternatively by the left-right squeezing of a fossil tilted to the left)
JESEI
teacher’s notes student’s notes
Activity 1 Apparatus Each student (or group) will need Shallow transparent dish (a plastic Petri dish is ideal) 100 cm 3 beaker Bunsen burner, tripod, gauze and heatproof mat Cloth for handling the hot beaker Chemicals Each student (or group) will need 1 raw egg white Salt (sodium chloride) The teacher will need Samples of different types of metamorphic rock, for example marble or quartzite. Suitable lumps can be obtained from a geological supplier. Click here for details of some suppliers http://www.earthscienceeducation.com/suppliers. Safety notes Care is needed when lifting the beaker of boiling water from the tripod. It is the responsibility of the teacher to carry out an appropriate risk assessment. The activity Place the white of an egg in a Petri dish. Place about 50 cm 3 of water in a beaker and add two or three spatulas-full of salt to the water (to increase the boiling point) and bring the water to the boil. When the water is boiling, carefully take the beaker off the tripod and place it in the centre of the egg white on the Petri dish as shown in Figure 1. Leave for 10 minutes and observe again. You should be able to see that a thin layer of egg white in contact with the beaker has ‘cooked’ and changed texture, ie it has become white and rubbery. Extension activity Students can simulate the deformation of fossils themselves if they have the Word™ document of the student’s material running on a computer. They just click on Figure 2A to select it and a series of small circles will appear around the image of the fossil. They can then ‘squeeze’ the fossil by clicking on one of the circles in the middle of the left, right top or bottom sides of the diagram and dragging it to resize the image. Answers to questions Q 1. The dictionary definition of metamorphism is a change of form. Q 2. No you can’t ‘uncook’ an egg. Q 3. No by analogy with the answer to 2. Q 4. The fossils would have been even more distorted, perhaps to the point of being completely destroyed. (Further distortion might have been caused by recrystallisation of the rock but students would be unlikely to come up with this unless it had been discussed in class.) Q 5. a) (i) The forces acted downwards from the top of the paper and upwards from the bottom (ii)The trilobite has been distorted by about 15-20%. b ) (i) The forces acted leftwards from the right of the paper and rightwards from the left ( i i ) The trilobite has been distorted by about15-20%. c ) (i) This suggests that the rocks that contain the fossils have been distorted in about the same ratio. The same might well apply to the whole region. ( i i ) This could have happened when the rock was at the site of a destructive plate margin. ( d ) A drawing of a suitably distorted fossil such as that in Figure 4.
        
Metamorphic modelling - simulating metamorphic processes: teacher’s notes
Level These activities are designed for students aged 11-14 to demonstrate aspects of metamorphism. Topic The aim of this unit is to simulate some of the ways in which metamorphic rocks are formed, and to explain how both increased pressure and heat affect the formation of the different types of metamorphic rock. Description Activity 1 (a class experiment or demonstration) simulates the idea of contact metamorphism by investigating the effect of heat from a beaker of hot water (simulating an igneous intrusion) on egg white (simulating country rock). Activity 2 (a class experiment) simulates the formation of slate. Activity 3 (a class experiment) simulates the distortion of fossils under pressure using plaster of Paris models. Context Ideally, this unit should be taught after similar units on sedimentary and igneous rocks. Teaching points As with all simulations, it is important to be aware of the ways in which the simulation matches the real thing and the ways in which it does not. For example the temperatures in the simulation are much lower than in real situations. Teachers should use their discretion in deciding which of the points below to discuss with students. Metamorphism involves solid state recrystallisation – if melting occurs, the resultant rock is igneous, not metamorphic. Metamorphism involving high pressures only happens during mountain- building episodes – pressures due to simple burial are not normally great enough to cause metamorphism. It is not possible to reproduce in a school laboratory the processes by which rocks are metamorphosed on a regional scale. These activities only simulate the physical changes which take place when rocks are put under increasing lateral pressure, as would be found during mountain building episodes. Timing All three activities can be completed within a 50 minute teaching period, allowing time for discussion and writing up.
  
Figure 1 Arrangement of apparatus for Activity 1 The beaker of water represents an igneous intrusion, the cooked egg white represents the metamorphic aureole and the unchanged egg white models unchanged country rock. The igneous intrusion is, of course, always hotter than the country rock. This simulation can then lead into a discussion about how contact with extreme heat can alter the texture of existing rocks. At this point some examples of contact metamorphic rocks, such as marble or quartzite, are useful to show to students. Activity 2 Apparatus Each student (or group) will need A box of used matchsticks, or some short lengths of spaghetti Two rulers (approximately 30 cm) Chemicals The teacher will need A piece of slate, preferably with colour bands from the original bedding (or a photograph). Suitable samples can be obtained from a geological supplier. The activity Pour some used matchsticks, or short pieces of spaghetti onto the bench, so that they lie in all directions. These represent the microscopic, flaky clay minerals in mudstone or shale. Take two rulers and place one on either side of the matchsticks and push them together, trapping the matchsticks and forcing them to line up parallel to the moving rulers. This simulates the formation of slate, where the tiny, flaky clay minerals in a mudstone or shale are realigned at right angles to the lateral forces. Such forces could be found near destructive plate margins, in between two approaching continents.
 
In practice, the temperature also rises at the same time. This makes the clay minerals recrystallise to form new minerals although there is no analogy to this in the simulation. The slate will split along the planes made by the new minerals more easily than along the original bedding. This property is called rock cleavage, see Figure 2. You can use the matchsticks / spaghetti to show how such rocks can split along the cleavage by using a ruler to separate the aligned ‘minerals’. Simply slide a ruler between the aligned pieces of spaghetti and move them apart.
Figure 2 A piece of slate, cut thinly, under the microscope showing the cleavage running from top left to bottom right formed by the aligned minerals. The forces causing this acted from top right and bottom left Try to match the way the pieces are lying with a piece of roofing slate. Sometimes, such slate shows different coloured bands lying at an angle to the cleavage, see Figure 3. This is the remains of the bedding layers of the original mudstone or shale.
Figure 3 This sample of slate shows coloured layers at about 50 o to the cleavage. The coloured layers show the bedding of the original shale. Under conditions of ever-increasing temperatures and pressures, such slates can be metamorphosed into higher grade metamorphic rock such as schists and ultimately gneisses.
Activity 3 Apparatus Each student (or group) will need Modelling clay Disposable plastic cup (eg vending machine coffee cup) Stirring rod A sea shell (eg cockle) Chemicals Each student (or group) will need A little plaster of Paris (calcium sulfate-½-water) Safety
    
Wear eye protection It is the responsibility of the teacher to carry out an appropriate risk assessment. The activity Many metamorphic rocks, such as slate, are formed deep below ground, under great pressure. They sometimes contain fossils which have been badly squashed. The result of the squashing gives clues about the directions of the pressures which squeezed the rocks. 1 . Soften the modelling clay. 2 . Make a mould by pressing the outside of a shell carefully into the clay. Make a rim around the mould to contain the plaster. 3 . Carefully remove the shell, to leave the imprint in the clay. 4 . Squeeze the mould so as to change the shape of the shell imprint, by first choosing whether to squeeze it from top to bottom or from side to side. Alternatively, you could push one side up and the opposite side down. This sort of twisting is called shearing. Whichever you choose, do not distort the shape too much. Note down how you squeezed the mould, it will be important later. 5 . Mix up some plaster of Paris in a disposable plastic cup. Place less than 1 cm of water in the cup and stir in enough plaster to make a runny cream. 6 . Pour the plaster into the distorted mould and leave it for a few minutes to set. 7 . Leave any remaining plaster to set in the cup. Wash the stirring rod. 8 . When your plaster fossils have set, take your fossil cast out of the modelling clay and then carefully scratch your initials on the base. 9 . Pass your fossil on to a nearby group. See if they can work out the directions of the pressures which you used to distort the fossil. 1 0 . Do the same for theirs. Did you get it right? 1 1 . How could the same distortion have been produced by forces acting in different directions?

Figure 4 A trilobite fossil distorted by shearing forces (or alternatively by the left-right squeezing of a fossil tilted to the left)